Vehicle brake lights

Product Overview
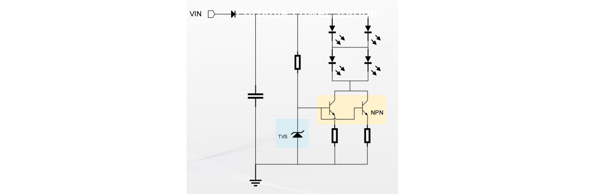
Vehicle brake lights are core components of the automotive safety system, suitable for various passenger and commercial vehicle scenarios. They need to meet the usage requirements of high brightness, fast response, low power consumption, and high/low temperature resistance to ensure the clear transmission of braking signals during driving.
Core Solutions
Drive Control Module: Precisely controls the on/off response speed of brake lights with a response delay as low as millisecond level
LED Light Source Driver Chip: Low power consumption design, compatible with automotive 12V/24V power systems, with stable brightness
Overvoltage/Overcurrent Protection Circuit: Resists voltage fluctuations in automotive circuits and protects core components of the lamp assembly
Heat Dissipation Optimization Design: Adapted to high and low temperature environments (-40℃~85℃) in the automotive compartment, extending service life
ESD Protection Module: High-level electrostatic protection to resist electrostatic interference in automotive circuits
Core Parameter Table
| Parameter Category | Technical Index | Application Scope | Performance Advantage |
| Response Speed | Fast millisecond-level response with low lighting delay | Brake lights for various passenger/commercial vehicles | Timely transmit braking signals and improve driving safety |
| Power Consumption Control | Low power consumption design, compatible with 12V/24V vehicle-mounted power supplies | Full range of vehicle brake lights | Reduce vehicle power supply energy consumption and adapt to original vehicle circuits |
| Environmental Adaptability | High/low temperature resistance (-40℃~85℃) and vibration resistance | Indoor and outdoor vehicle-mounted environments | Adapt to complex driving environments and improve durability |
| Protection Features | Overvoltage/overcurrent/electrostatic protection | Brake lights for full-scenario vehicle applications | Protect lamp assembly components and extend service life |
| Brightness Index | High brightness with clearly visible braking signals | Day/night driving scenarios | Ensure signal recognizability under different light conditions |
